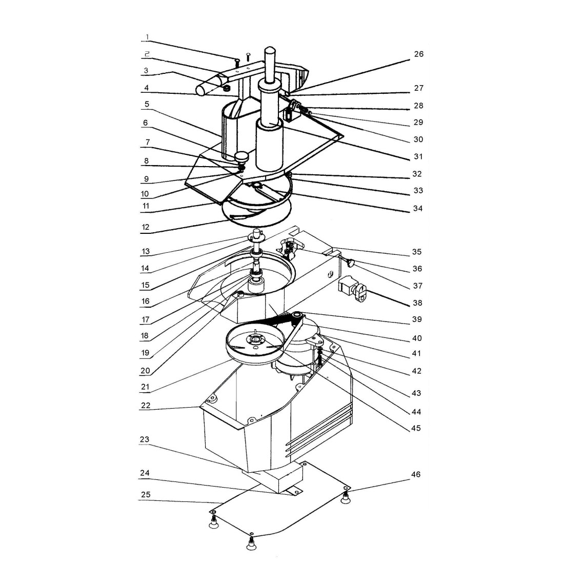
Husillo completo Cortadora vegetales HLC-300 Despiece 13-19
Tornillo pasador tuerca Acero Inoxidable Cortadora vegetales HLC-300 Despiece número 27 29
Husillo completo Cortadora vegetales HLC-300 Despiece 13-19
Tornillo pasador tuerca Acero Inoxidable Cortadora vegetales HLC-300 Despiece número 27 29

Tornillo pasador tuerca Acero Inoxidable Cortadora vegetales HLC-300 Despiece número 27 29

REP0025052
5,00 €
Impuestos excluidos

Descripción

Detalles del producto

Aplicación
Cortadora de Verduras
Marcas Compatibles
Eutron
Cortadora verduras Partes
Tornillos - pasadores
Tuerca