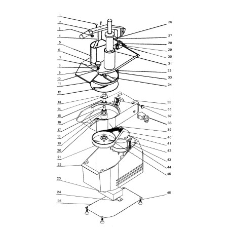
Husillo completo Cortadora vegetales HLC-300 Despiece 13-19
Husillo completo Cortadora vegetales HLC-300 Despiece 13-19
Husillo completo Cortadora vegetales HLC-300 Despiece 13-19
Husillo completo Cortadora vegetales HLC-300 Despiece 13-19

Husillo completo Cortadora vegetales HLC-300 Despiece 13-19

699135-4
50,00 €
Impuestos excluidos

Descripción

Husillo completo Cortadora vegetales HLC-300 Despiece 13-19

Detalles del producto

Aplicación
Cortadora de Verduras
Marcas Compatibles
Eutron
Cortadora verduras Partes
Ejes