SOLO PARA PROFESIONALES
+34954519888 admin@eutron.es
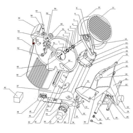
Mando Regulador Corte HBS-220 HBS-250 Despiece 15 Eje 16mm