SOLO PARA PROFESIONALES
+34954519888 admin@eutron.es
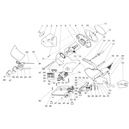
Protector acero inoxidable Cortadora HBS-350 Parte 71