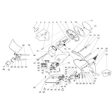
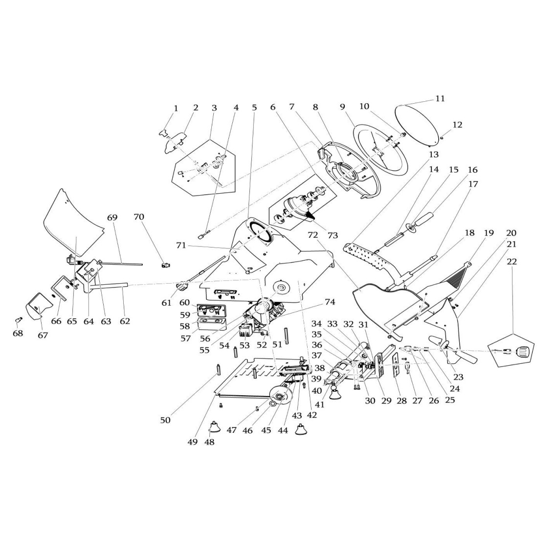
Top Group Cutting Blade HBS-350 Breakdown number 65
Top Group Cutting Blade HBS-350 Breakdown number 65
Top Group Cutting Blade HBS-350 Breakdown number 65
Top Group Cutting Blade HBS-350 Breakdown number 65

Cutting Blade Stop Group HBS-350 Breakdown number 65

REP0008950
€100.00
Tax excluded

Download PDF

Description

Cutting Blade Stop Group HBS-350 Breakdown number 65

Product Details