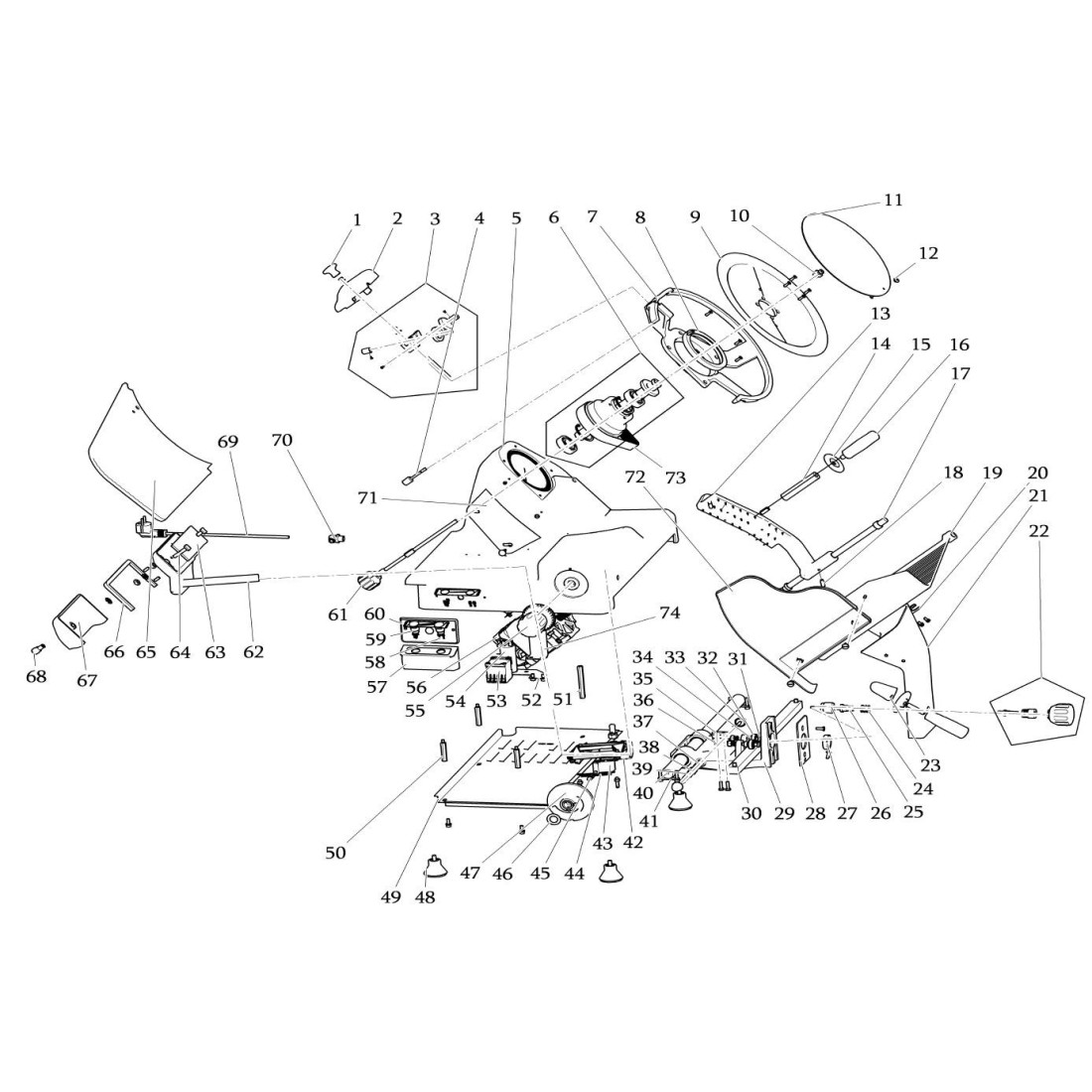
HBS-350 Cutting Machine Limiter Parts List 42
HBS-350 Cutting Machine Limiter Parts List 42
HBS-350 Cutting Machine Limiter Parts List 42
HBS-350 Cutting Machine Limiter Parts List 42

HBS-350 Cutting Machine Limiter Parts List 42

REP0002568
€40.00
Tax excluded

Download PDF

Description

Regulator Slider Cutting Machine HBS-350 Parts List 47

Product Details