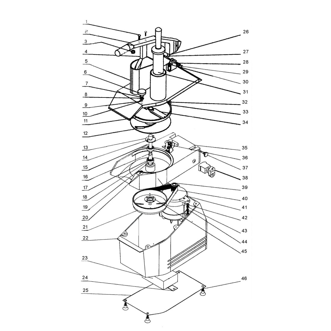
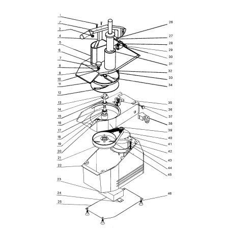
Husillo completo Cortadora vegetales HLC-300 Despiece 13-19
Kit Eje Central Cortadora vegetales HLC-300
Husillo completo Cortadora vegetales HLC-300 Despiece 13-19
Kit Eje Central Cortadora vegetales HLC-300

Kit Eje Central Cortadora vegetales HLC-300

REP0003414
60,00 €
Impuestos excluidos

Descripción

Kit Eje Central Cortadora vegetales HLC-300
Rodamiento 1 6202RS
Rodamiento 2 6202RS
Retén 15-35-7

Detalles del producto

Aplicación
Cortadora de Verduras
Marcas Compatibles
Eutron
Cortadora verduras Partes
Ejes