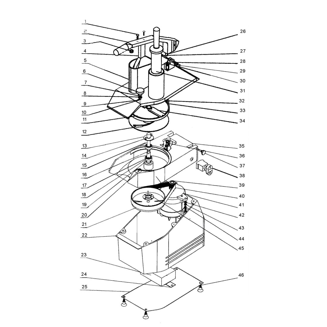
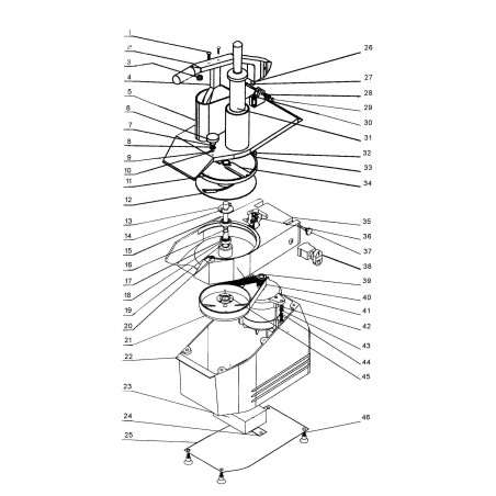
Eixo completo Cortadora de vegetais HLC-300 Desmontagem 13-19
Kit Eixo Central Cortadora de Vegetais HLC-300
Eixo completo Cortadora de vegetais HLC-300 Desmontagem 13-19
Kit Eixo Central Cortadora de Vegetais HLC-300

Kit Eixo Central Cortadora de Vegetais HLC-300

REP0003414
60,00 €
Sem IVA

Download PDF

Descrição

Kit Eixo Central Cortadora de Vegetais HLC-300
Rolamento 1 6202RS
Rolamento 2 6202RS
Retentor 15-35-7

Dados do produto

Aplicação
Cortadora de Verduras
Marcas Compatíveis
Eutron
Cortadora de verduras Peças
Eixos