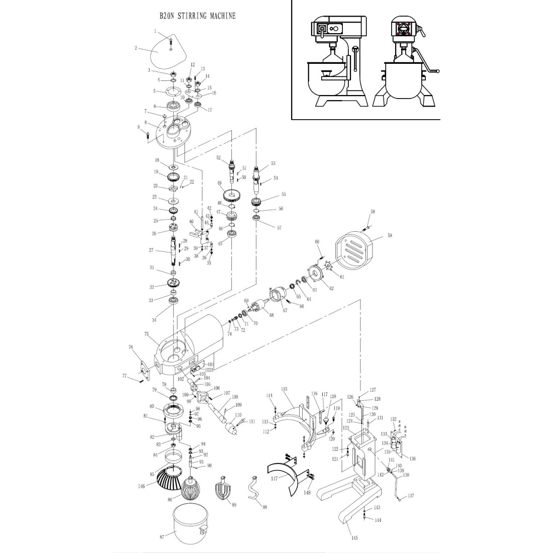
Bol en Acier Inoxydable Pétrin B20Cr Détail numéro 87
Bol en Acier Inoxydable Pétrin B20Cr Détail numéro 87
Bol en Acier Inoxydable Pétrin B20Cr Détail numéro 87
Bol en Acier Inoxydable Pétrin B20Cr Détail numéro 87

Bol en Acier Inoxydable Pétrin B20Cr Détail numéro 87

REP0021022
150,00 €
HT

Télécharger le PDF

Description

Bol en Acier Inoxydable Pétrin B20Cr Détail numéro 87

Diamètre extérieur à l'ouverture 350mm
Hauteur totale 292mm
Hauteur au centre de l'axe 168mm
Hauteur jusqu'à la première platine 156mm
Hauteur jusqu'à la deuxième platine 213mm

Détails du produit