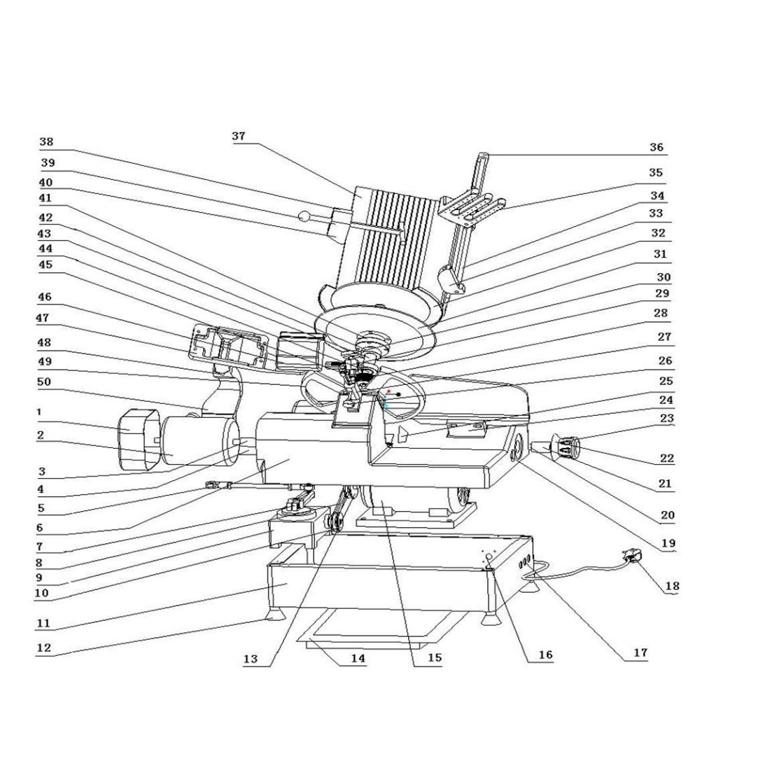
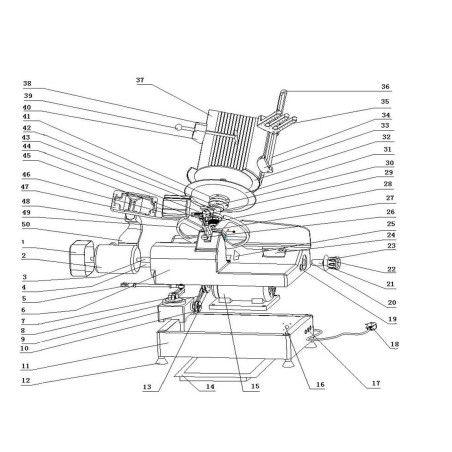
Commande Régulateur de Coupe HB-320 pièces 19-23
Commande Régulateur de Coupe HB-320 pièces 19-23
Commande Régulateur de Coupe HB-320 pièces 19-23
Commande Régulateur de Coupe HB-320 pièces 19-23

Commandeur de Régulation de Coupe HB-320 éclaté 19-23

REP0000469
60,00 €
HT

Télécharger le PDF

Description

Commandeur de Régulation de Coupe HB-320 éclaté 19-23

Détails du produit