RÉSERVÉ AUX PROFESSIONNELS
+34954519888 admin@eutron.es
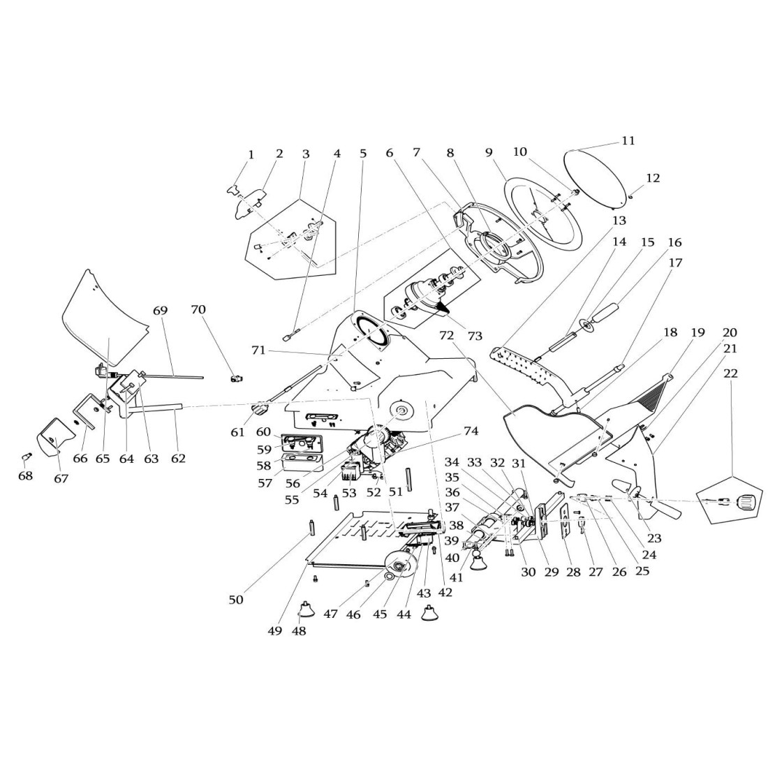
Bouton femelle Aluminium Coupeuse HBS-350 Partie 22