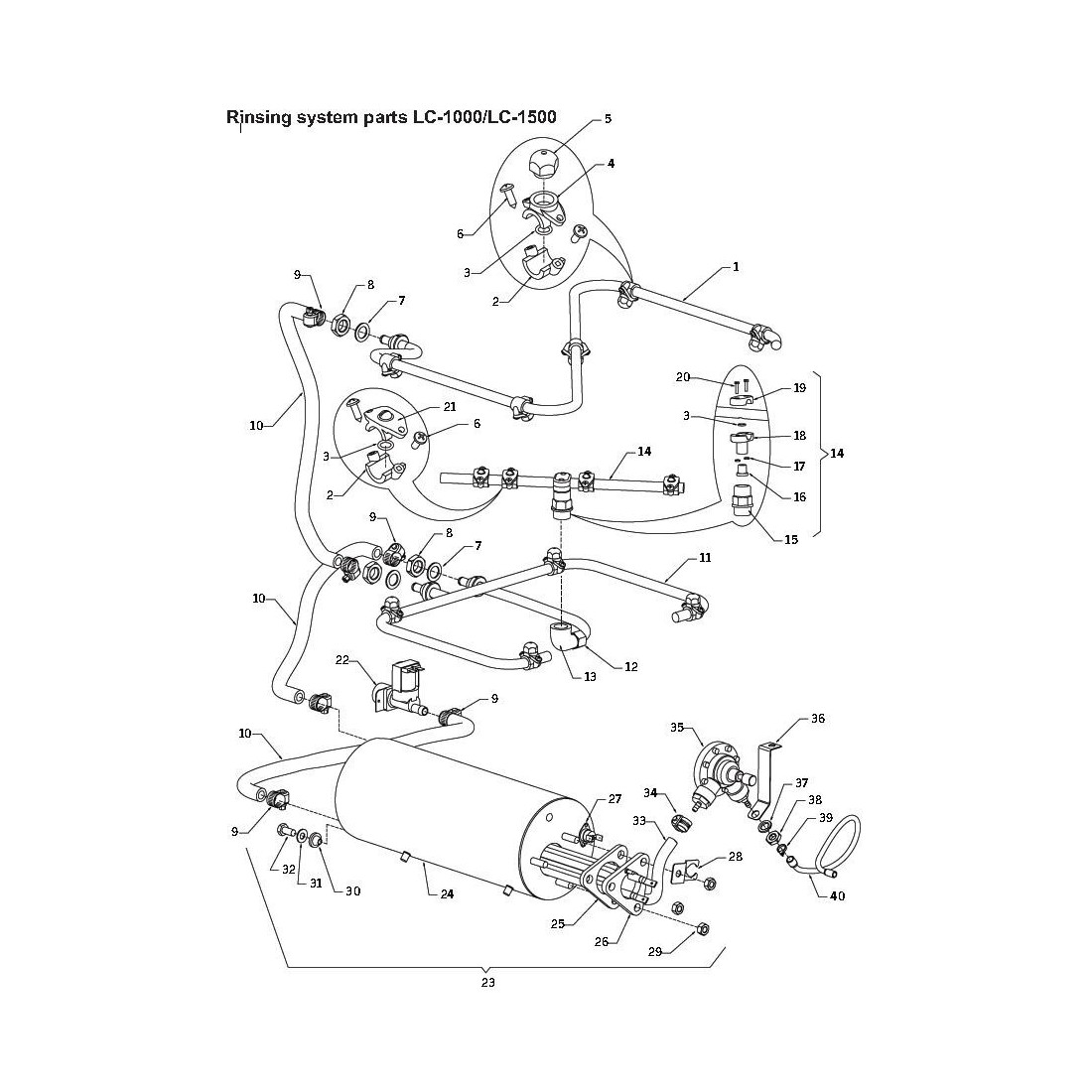
Lavagem de Componentes tubo de transbordo ø 26mm L 142mm plástico int.ø 21mm ø ext. 26mm LineaBranca A040211... Linea Blanca 511684 9,40 € Adicionar ao carrinho
Bico de Limpeza Bico de Limpeza Linha Branca rosca 14mm A040080 Linea Blanca 501700-1 2,50 € Adicionar ao carrinho
Lavagem de Componentes Suporte Braço Cotovelo Lineablanca A040073 Linea Blanca 501416-1 6,50 € Adicionar ao carrinho
Lavagem de Componentes Suporte Bico de Enxágue Lava-Louças Lineablanca A040075 Linea Blanca 501700-3 2,20 € Adicionar ao carrinho
Lavagem de Componentes Suporte Bico de Enxágue Lava-louças Lineablanca A040076 Linea Blanca 501700-4 4,30 € Adicionar ao carrinho
Junta Torica junta toroidal EPDM espessura 1,78mm int.ø 6,07mm UE 1 pç A040029 528485 0,40 € Adicionar ao carrinho
Parafuso parafusos de chapa ø 4,2mm L 13mm inox UE 20 pçs DIN/ISO DIN 7981/ISO 7049 ø cabeçote... 560108 9,87 € Adicionar ao carrinho