APENAS PARA PROFISSIONAIS
+34954519888 admin@eutron.es
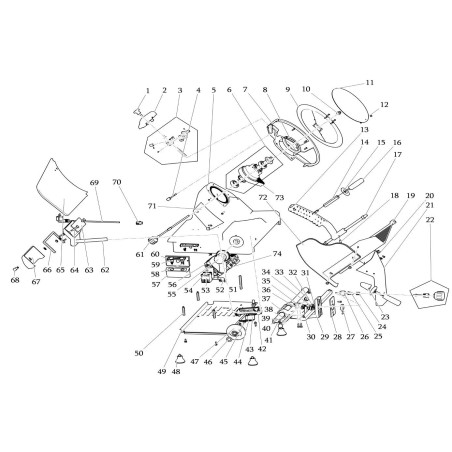
Pino cortador de frios HBS-350 Despiece número 45