APENAS PARA PROFISSIONAIS
+34954519888 admin@eutron.es
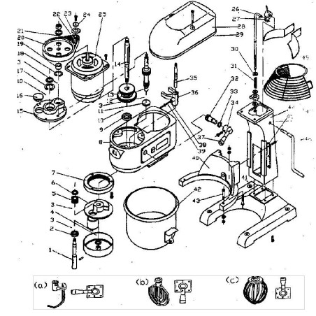
-Engrenagem 14 amassadeira B10. -Desmontagem número 14