HB-320 Cut Regulator Control Breakdown 19-23
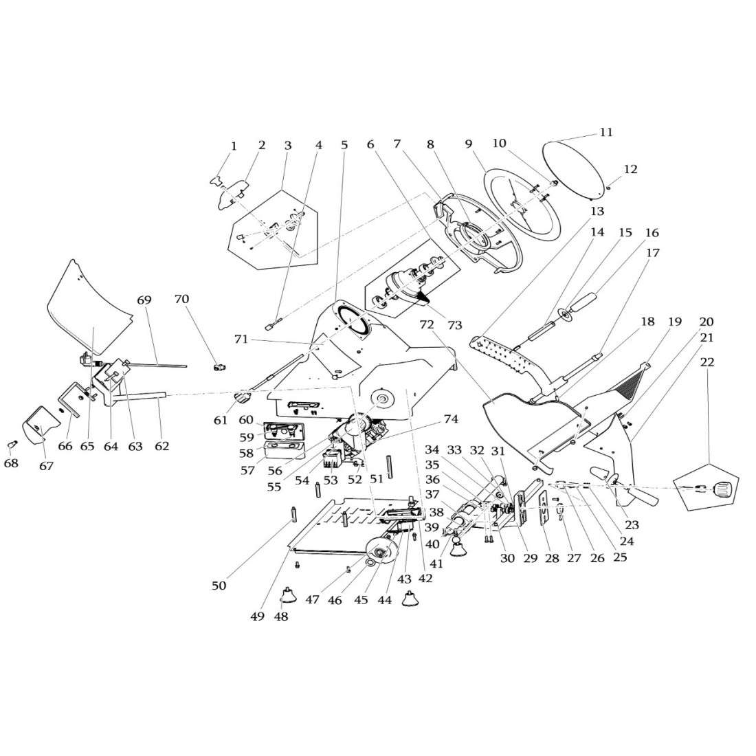
Mando Regulador Corte HB-350 despiece 55
HB-320 Cut Regulator Control Breakdown 19-23
Mando Regulador Corte HB-350 despiece 55

Mando Regulador Corte HB-350 despiece 55

REP0000479
€60.00
Tax excluded

Download PDF

Description

Mando Regulador Corte HB-350 despiece 55

Product Details

Application
Cortadora
Compatible Brands
Eutron
Cutters Parts
Mando Regulador

Associated references: Check compatibility before purchasing.