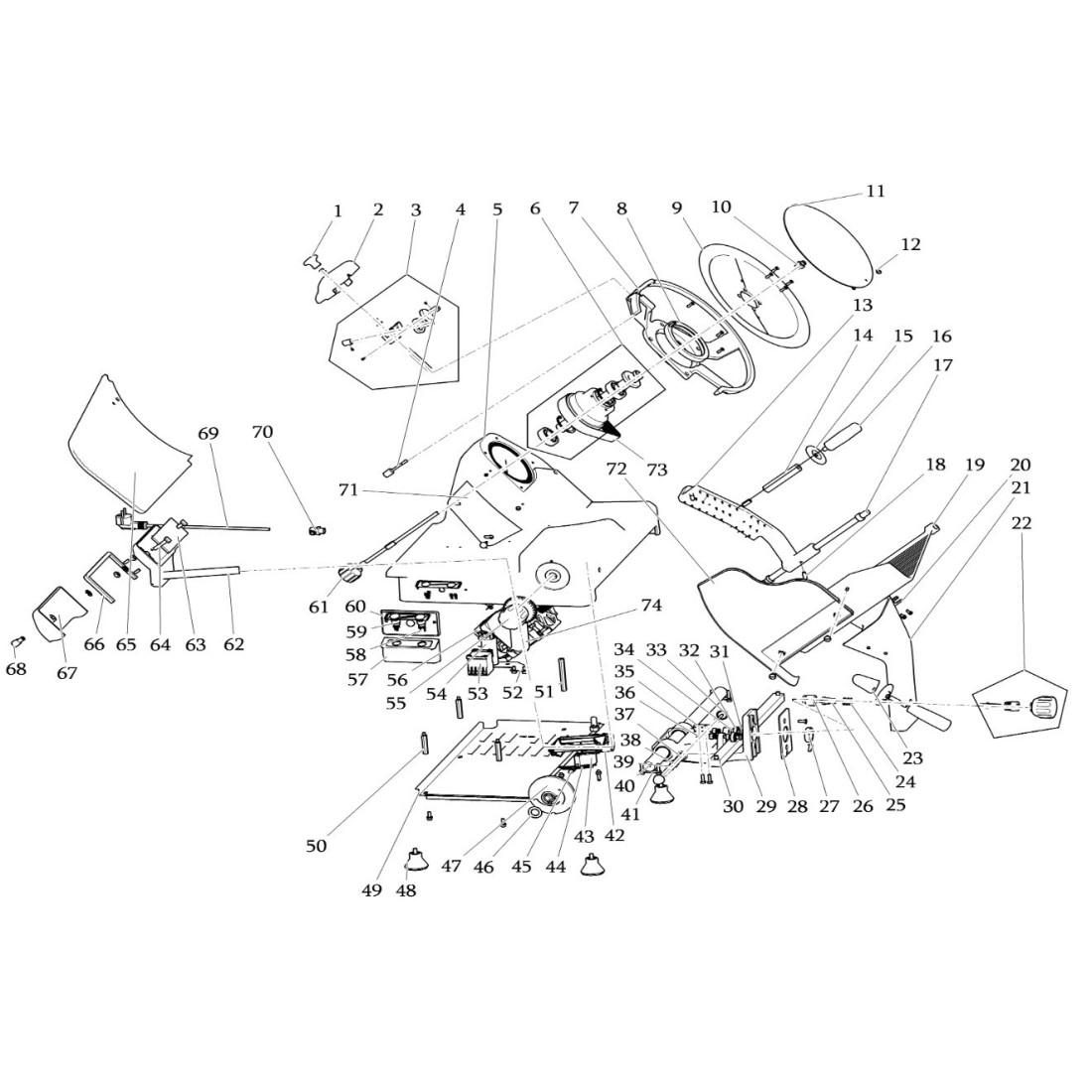
Contrôleur de coupe HB-320 pièces 19-23
Contrôle de coupe HBS-350 pièces détachées 55
Contrôleur de coupe HB-320 pièces 19-23
Contrôle de coupe HBS-350 pièces détachées 55

Contrôle de coupe HBS-350 pièces détachées 55

REP0000479
60,00 €
HT

Télécharger le PDF

Description

Détails du produit

Application
Cortadora
Marques Compatibles
Eutron
Pièces de coupe
Mando Regulador

Références associées : Vérifiez la compatibilité avant achat.